| Sign In | Join Free | My gastesters.com |
|
Brand Name : HUATEC
Model Number : ASME block
Certification : CE ISO
Place of Origin : Beijing
MOQ : 1 set
Payment Terms : TT, L/C, Western Union
Supply Ability : 500 sets per months
Delivery Time : 3-7 working days
Packaging Details : in standard export carton
Product name : Standard Test Block
Model : ASME block
Standard : ASME BPVC-V-2015
Thickness : 0~254mm
Ultrasonic Flaw Detector Calibration Blocks Standard Test Blocks ASME calibration block (non pipe)
ASME calibration block (non pipe)
Standard: ASME BPVC-V-2015
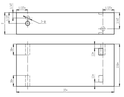
The size and shape of ASME non-pipe weld test block are shown in the chart below, when inspected
For inspection on materials with surface diameter greater than 500mm, test blocks with the same curvature as the workpiece or standard test blocks with a diameter equal to or less than 500mm can be used.
During the upper inspection, the curve test block, namely the tube seam test block, should be used.
1. The distance between each slot and either end of the test block or other slots is not less than T or 25mm, if larger.
2. The minimum length L of the test block shall be 200mm or 8T, if larger.
3. When the inner diameter is equal to or less than 100mm, the minimum radian is 270°. When the inner diameter is greater than 100mm, the minimum arc length is 200mm or 3T, and the larger is taken
4. The depth of each tank is 11% T≥h≥ 8% T, width ≤6mm, length ≥225mm


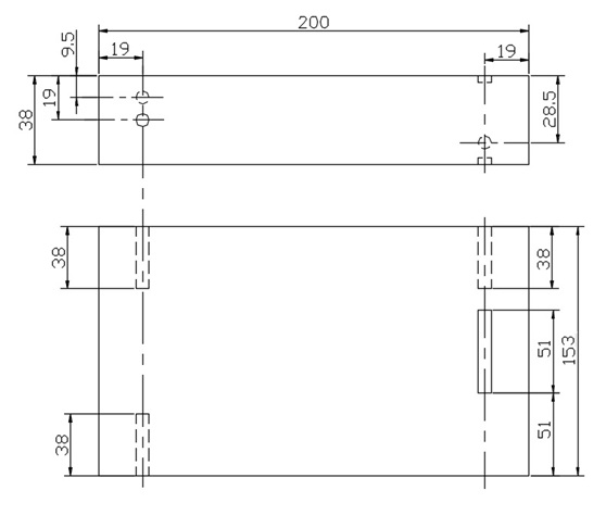
ASME 19mm test block
Standard: ASME BPVC-V-2015

ASME 38mm test block
Standard: ASME BPVC-V-2015

ASME calibration block (pipe)
Standard: ASME BPVC-V-2015



|
|
Standard Test Non Pipe Asme Ut Calibration Block Images |